Simurelay для Android
| Оценка: | 3.17/5 голосов - 6 |
| Лицензия: | Бесплатная |
| Версия: | 2.4.3 | Сообщить о новой версии |
| Обновлено: | |
| ОС: | Android 5.x, 6.x, 7.x, 8.x, 9.x, 10.x, 11.x, 12.x |
| Интерфейс: | Английский |
| Разработчик: | Mordia Studio |
| Категория: | Электроника, радио |
| Загрузок (сегодня/всего): | 0 / 1 028 | Статистика |
| Размер: | 4.5 Мб |
| СКАЧАТЬ | |
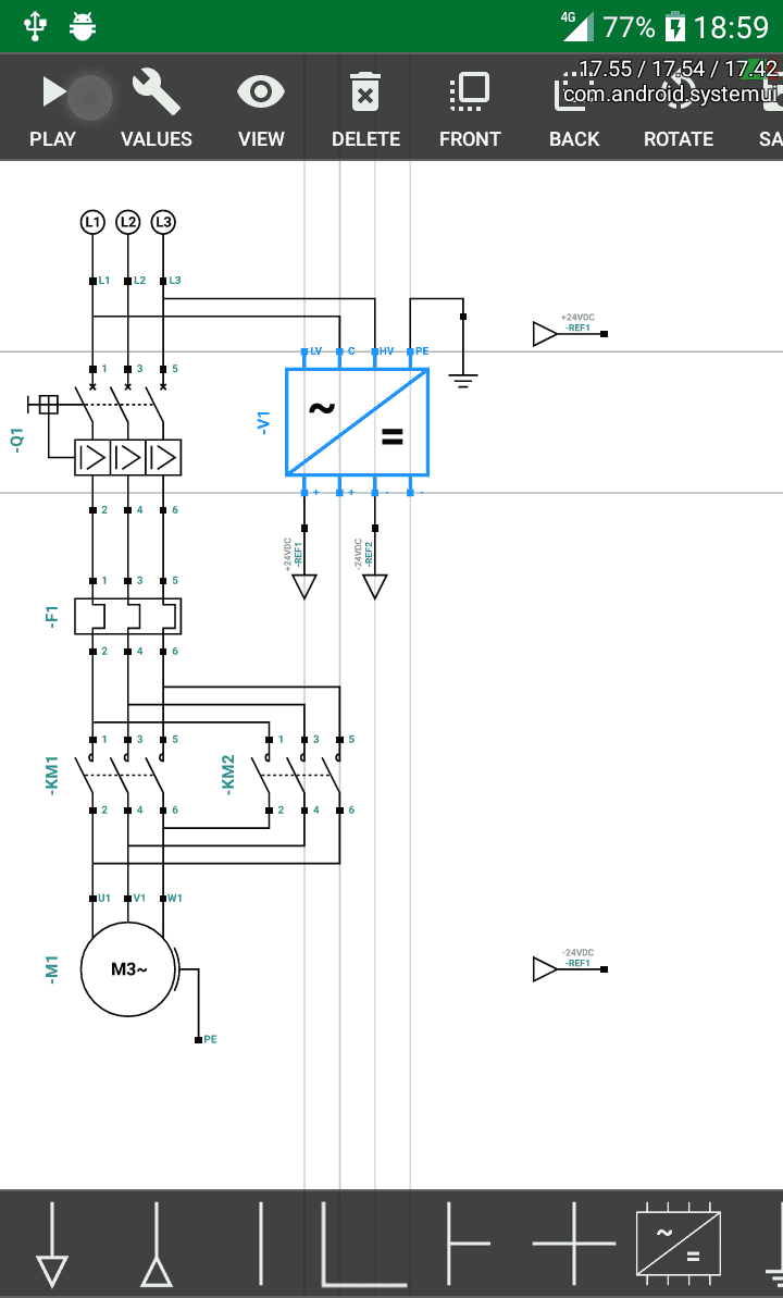
Simurelay - симулятор, разработанный для проектирования электромеханических систем, позволяющий с легкостью создавать разнообразные электрические схемы, используя широкий спектр основных компонентов, таких как реле, переключатели, кнопки, контакторы, таймеры, двигатели и многое другое.
Simurelay выделяется своей простотой использования и мощными функциями симуляции. Независимо от вашего уровня опыта, вы сможете быстро моделировать и анализировать электромеханические системы.
Основные возможности Simurelay:
- Множество компонентов: Используйте разнообразные электрические элементы для создания точных схем - от реле до контакторов.
- Реалистичная симуляция: Проверьте работу своих схем в виртуальной среде с высокой степенью реализма.
- Удобство использования: Интуитивный интерфейс позволяет легко создавать и редактировать схемы.
- Обучение и обучающие материалы: Simurelay предоставляет обширные обучающие ресурсы для новичков и опытных специалистов.
В целом, Simurelay - это не просто симулятор, это ваш надежный инструмент для создания и тестирования электромеханических схем. Он сочетает в себе простоту использования с мощными возможностями симуляции, делая проектирование электромеханических систем легким и увлекательным.
ElectroDroid – приложение может быть полезно тем, кто работает или увлекается электроникой. Тут...
Надежный помощник в проектировании электромеханических систем, позволяющий с легкостью...
Закон Ома - простое в использовании Android-приложение, которое в первую очередь будет...
Приложение предлагает базовые схемы, на которых основаны более сложные схемы; схемы с...
Мобильное приложение для интерактивного моделирования электронных схем. Собирайте,...
Logic Circuit Simulator Pro 33.1.0
Приложение для мобильных Android-смартфонов и планшетов, благодаря которому можно изучить...








